Our services on Alstom® ARTIC® system


Alstom® and related trademarks are the property of their respective owners. IEPC Energy is an independent provider and is not affiliated with, sponsored by, or endorsed by Alstom®.

ARTIC® system maintenance in operational conditions (MOC)

IEPC offers services to maintain your ARTIC® system in operational conditions:

  • Preventive and corrective maintenance of the entire control system, according to the ARTIC® maintenance guide.
  • Settings adjustments, maintenance on UPC, SPC cards, troubleshooting
  • Training on ARTIC® Governing System and IHM Interfaces
  • Hotline service on ARTIC®

Retrofit & migration from ARTIC® Governor to new Steam Turbine Controller

With its strong skills and experience, IEPC Energy offers you a valuable expertise to upgrade or replace your old system by our new generation steam turbine control system: the STG 1000. Please contact us for any need you may have related to your ARTIC® system.

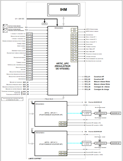
A quick overview of the ARTIC® steam turbine control system


ARTIC® is entirely designed and manufactured by ALSTOM® and has been optimised to perform speed and load control functions by managing the positioning of servomotors. It is organised around an electronic rack in a box or wall cabinet. The UPC module is the main component of the ARTIC® speed controller.

ARTIC® consists of:

  • 1 HMI
  • 1 CPU (CONTROLLER)
  • SPC MODULES (ONE SPC PER VALVE)

ARTIC® PLC and cards

HMI :  connected via an RS485 serial link to either a T.SLG with a UPC (N) linked to SPC modules

UPC : The UPC module is based on NEYRPIC technology. It performs:

  • data and signal acquisition (speed, power, pressure measurements, +/- speed, +/- load signals, circuit breaker positions, etc.).
  • execution of the controller program (speed control, process control —> outputs a valve opening request).
  • management of output signals for auxiliaries (DCS, safety system, excitation, etc.)

SPC : is a component of the ARTIC turbine control system dedicated to controlling the position of a turbine valve by driving an actuator.

It comprises:

  • A microprocessor entirely dedicated to the feedback loop (2 ms sampling).

It performs the following functions:

  • Acquisition and processing of the inputs required to control the actuator.
  • Calculation of position feedback based on the position setpoint issued by the UPC (load/frequency control system).
  • Control of the electro-hydraulic actuator controlling actuators

ARTIC® maintenance tools

T SOFT is the full package which allows to access and modify every setting regarding governing control. It also allow to record the signals through the trend application , these are capture blocks that are triggered manually or on a signal level.

T.SOFT is connected, via a TCP/IP link, to a ARTIC® with a UPC (N) which is linked to SPC modules.>

Our latest news over turbine control


Interested about our services?


    captcha

    *Required field