Our services on Alstom® AVR 820™ Excitation system
Alstom® and related trademarks are the property of their respective owners. IEPC Energy is an independent provider and is not affiliated with, sponsored by, or endorsed by Alstom®.
AVR 820 system maintenance in operational conditions (MOC)
IEPC Energy offers its services to maintain your AVR 820 system in operational conditions:
- Preventive and corrective maintenance of the entire excitation system, according to the AVR 820 maintenance guide.
- Updates and modifications of Local Control Panel
- Modification of programs and parameters
- Repairs and Supply of spare parts
- Training
- Hotline service.
Retrofit & migration from AVR 820 to new excitation system
With its strong skills and experience, IEPC Energy offers you a valuable expertise to upgrade or replace your excitation system.
Please contact us for any need you may have related to your AVR 820™ system.


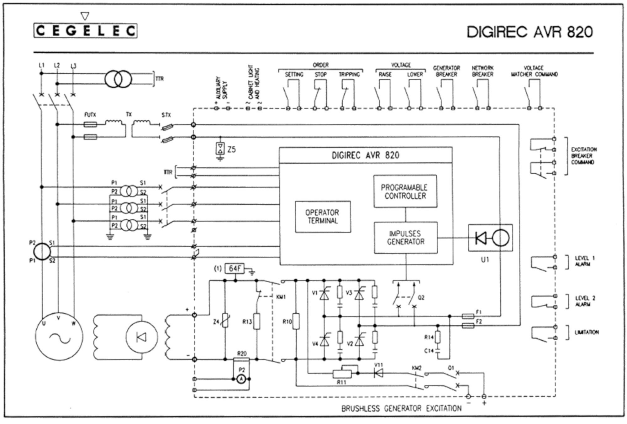
A quick overview of the AVR 820 excitation system
The AVR 820 is a digital excitation systems designed by Alstom® in the late 1990s with functions like stator voltage control, field (excitation) current control in manual mode, limiters, field flashing, droop and some options like PSS, reactive power control, power factor control, line charging, boosting …
The standard configuration is two redundant channels:
2 Automatic Voltage Regulators channels with integrated Manual (Field) Current Regulator, with or without connection to a supervision (F8000, Modbus …)
AVR 820 PLC and cards
It mainly consists of GE® Fanuc Series 90-30 cards, named ALSPA™ C80–35. Some specific electronic cards have been produced by Alstom:
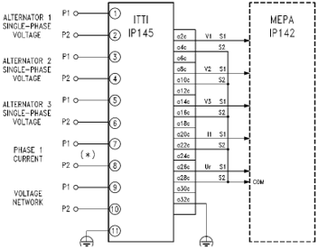
- MEPA: MEsure Paramètres Alternateur module supplies the rms value of the three-phase voltages of the generator, the average current and the mean current of the network
- ITTI : Intensité Tension Transformateur Interface module is an interface between the process high level voltages and current (PT and CT for “process”), and the low level inputs of the MEPA generator parameters measurement module
- GENI: GEnérateur Numérique d’Impulsions module ensures the generation of pulses for the control of the thyristors bridges and handles current regulation of the bridge according to the setpoint received by AVR
- Other cards like IP155, MPA157, SUCO, FLT210, TTM 210 can be used according options and applications.



AVR 820 Local Control Panel and maintenance tools
Local Control Panel : Kessler-Ellis Products Company product name ZOID DC.
P8 is the software to dialog between the PC and the CPU using SNP protocol. P8 is useful for CPU configuration, CPU software, parameters downloading and saving, Fault table clearing, Start/Stop PLC execution…
Visurec is a software used for many Alstom cards, not only on AVR 820™. It’s used to configure GENI, TTM 210/TTM211 and CPU (AVR parameters) and to perform commissioning tests, like voltage steps.

