Our services on Alstom® STG 920 system
Alstom® et les marques associées appartiennent à leurs propriétaires respectifs. IEPC Energy est un fournisseur indépendant et n'est ni affilié, ni sponsorisé, ni approuvé par Alstom®.
STG 920 system maintenance in operational conditions (MOC)
IEPC Energy offers services to maintain your STG 920 system in operational conditions:
- Preventive and corrective maintenance of the entire control system, according to the STG 920 maintenance guide.
- Modification of STG 920 parameters
- Repairs and Supply of spare parts
- Training
- Hotline service.
Retrofit & migration from STG 920 to new Steam Turbine Controler
With its strong skills and experience, IEPC Energy offers you a valuable expertise to upgrade or replace your old system by our new generation steam turbine control system: the STG 1000. Please contact us for any need you may have related to your STG 920 system.

A quick overview of the DIGIREC Steam Turbine Control system
STG 920 – DIGIREC 920
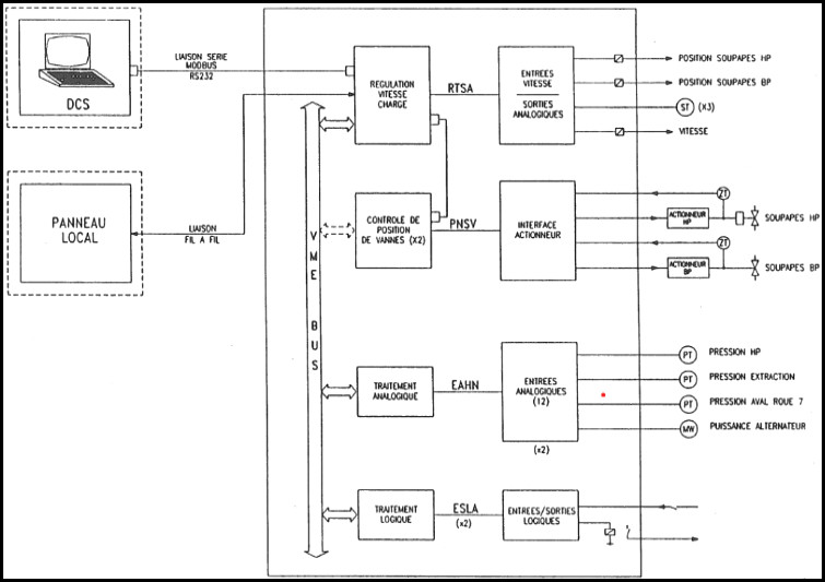
The STG 920 (Steam Turbine Governor), from DIGIREC design, is specially designed to control single inlet or regulated extraction steam turbines, driving alternators, compressors, pumps or blowers.
STG 920 PLC and cards
In the STG 920 system, all the card were developed by Alstom®. The following modules are based on DIGIREC 920 technology:
- EAHN (AZ110 / AZ111): The EAHN module converts high-level analog inputs into digital signals. A local processor pre-processes the information before making it available to the control module (RTSA)
- ESLA (LZ104 / LZ105): The ESLA module acquires logic inputs and outputs logic outputs. This information is transmitted via the VME bus between a master central processing unit and this module
- PNSV: The PNSV module receives steam flow demand from the speed and/or load governors and controls the HP and LP intakes by setting the current in the respective coils of the servo motors. This module integrates a valve lift-flowrate linearization device and a PID controller
- Others cards like ALIM, RTSA(LZ106/ LZ107).
In the STG 920 system, all the card were developed by Alstom®. The following modules are based on REC 920 technology:
- IFAC (AH121): The actuator interface IFAC modules are used to amplify signal from the PNSV to adapt it for input to the existing servo motors and to transmit to the PNSV the position measurement from the differential transformers
- SFST (LV104): This module continuously monitors the speed measurement and the overspeed trip threshold using an internal device. It allows the ability to trip via either of the fundamental safety channels to be tested during operation.
- Other card like AS114.


STG 920 Local Control Panel and maintenance tools
VISUREC is a software used for many Alstom® cards, not only on STG 920. It is used to perform commissioning tests, like position loop test.
TERMINAL is a software is used to check and configure the RNT (STG program settings). It also allows you to assign inputs/outputs, adjust dynamic parameters, and control/modify logic equations.

