Our services on Alstom® STG 820 system
Alstom® and related trademarks are the property of their respective owners. IEPC Energy is an independent provider and is not affiliated with, sponsored by, or endorsed by Alstom®.
STG 820 system maintenance in operational conditions (MOC)
IEPC Energy offers services to maintain your STG 820 system in operational conditions:
- Preventive and corrective maintenance of the entire control system, according to the STG 820 maintenance guide.
- Updates and modifications of Local Control Panel
- Modification of STG programs and STG parameters
- Repairs and Supply of spare parts
- Training
- Hotline service.
Retrofit & migration from STG 820 to new steam turbine controller
With its strong skills and experience, IEPC Energy offers you a valuable expertise to upgrade or replace your old system by our new generation steam turbine control system: the STG 1000. Please contact us for any need you may have related to your STG 820 system.

A quick overview of the STG 820 Steam Turbine Control system
The STG 820 (Steam Turbine Governor) is specially designed to control single inlet or regulated extraction steam turbines, driving alternators, compressors, pumps or blowers.
It is based on an ALSPA™ 8035 PLC, whose standard modules it uses, supplemented by specific modules appropriate to the interfaces with the turbine.
STG 820 PLC and cards
It mainly consists of GE® Fanuc Series 90-30 cards, named ALSPA™ C80–35. Some specific electronic cards have been produced by Alstom®:
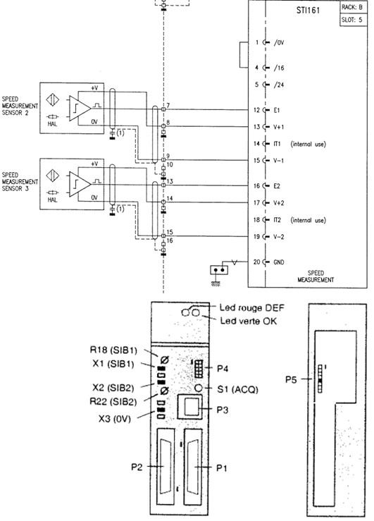
- STI161: The STI161 module consists of 2 printed circuits IP161+ TL111. The mother board IP161 shapes the sensor signals, and checks the connection of sensor lines. The daughter board TL111 handles all of the other functions (speed count and network process)
- APUR: This amplification module, combined with controller module IP139 (RAPA) amplifies the output current of the latter if the load requires more than + 100 mA
- SPC160: The SPC160A module is part of the 820 range and positions the regulating valves used to control the speed of a steam turbine. It consists of 3 electronic boards, ISPC1/IP160, ISPC2/AS118 and MACO+/UT155, housed in a type 8035 enclosure
- Other cards like RAPA, APU300, ENVI, can be used according to the options and applications.


STG 820 Local Control Panel and maintenance tools
The Local Control Panel is Kessler-Ellis Products Company product name ZOID DC.
P8 is the software to dialog between the PC and the CPU using SNP protocol. It is also used for CPU configuration, CPU software, parameters download and saving, fault table clearing, Start/Stop PLC execution …
Visurec is a software used for many Alstom® cards, among them the STG 820 ones. It is used to configure SPC, and CPU (STG parameters) and to perform commissioning tests, like position loop test.

